Промышленность на Украине имеет распространенное явление, поэтому изготовление конвейерных барабанов играет важнейшую роль в работоспособности целой сферы. Производство конвейерных барабанов отвечает всем стандартам ГОСТ, а также есть возможность заказать оборудование по чертежам вне стандартов.
В общих чертах барабан выполняет автоматическую функцию передвижения конвейерной ленты обеспечиваю этим непрерывное действие всего процесса.
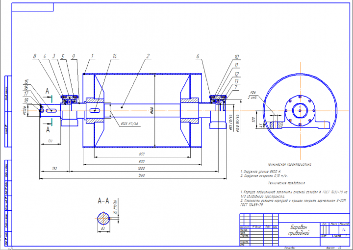
Приводные барабаны конвейера предназначены для перемещения ленты, транспортирующей груз. Данный механизм является главным элементом любого современного конвейера. Барабаны приводные располагаются на стальном валу, который помогает им вращаться. Устройство приводится в действие при помощи электродвигателя. Некоторые конвейерные барабаны оборудуются во время производства встроенными моторами.
Компания «Сталь Цепь» производит барабаны для ленточных конвейеров. Наибольшим спросом среди клиентов пользуются высокопроизводительные приводные барабаны. С помощью этих изделий можно обеспечить бесперебойную работу транспортирующей ленты.

Чертежи конвейерных барабанов
Конвейерные барабаны условно делятся на следующие виды:
Индекс изделия характеризует его расчетную нагрузку. При выборе размера конвейерного барабана наибольшее внимание уделяется диаметру его подшипника. Тип используемого редуктора определяет размер консоли приводного вала. Барабан должен соответствовать номинальной мощности конвейера. Правильно подобранное изделие позволит наиболее эффективно использовать транспортирующую ленту.

Приводные барабаны передают тяговое усилие ленте, заставляя ее двигаться с заданной скоростью. Механизм должен располагаться симметрично по отношению к конвейерной оси.
Стандартный приводной барабан состоит из таких деталей:
• Обечайка;
• Вал;
• Диск;
• Зажимная муфта.
Все элементы конструкции изготавливаются из высококачественной углеродистой стали. Используемый материал гарантирует длительный срок работы натяжного барабана. Диаметр изделия достигает 1000 миллиметров.
Натяжные конвейерные барабаны являются вспомогательным оборудованием транспортирующих механизмов. Они способны регулировать работу конвейерного тракта. Подобные барабаны натягивают ленту транспортирующей машины. Изделия устанавливают на специальных станциях.
Располагаются барабаны в местах изгиба транспортирующей ленты. Изготавливают детали из стали или чугуна. Правильно установленные натяжные барабаны не допускают проскальзывания движущейся ленты.
Для повышения производительности конвейеров специалисты рекомендуют использовать футеровку барабанов. На приводную деталь накладывается резиновая оболочка, имеющая шероховатую поверхность. Благодаря футеровке значительно улучшается сцепление барабана и транспортирующей ленты.
Кроме того, корпус приводной детали получает защиту от коррозии. Повышение коэффициента трения не допускает пробуксовок конвейера. Резиновая оболочка барабана способна прослужить около пяти лет, при интенсивной эксплуатации транспортирующего механизма.
Чтобы приобрести барабаны для конвейеров, обратитесь в ООО «Сталь Цепь». Компания предлагает купить конвейерный мотор барабан в Украине собственного производства. Завод гарантирует клиентам высокое качество своих товаров.
Доставку заказа осуществляем по всей Украине, в том числе Киев, Харьков, Днепр, Одессу, Николаев, Хмельницкий, Полтаву, Запорожье и в другие города.